Já vím, některým se opravdu nebude líbit název Atmel kit. Neboť Atmel je firma. Vzhledem
však k tomu, že tento kit obsahuje 3 druhy mikroprocesory (dále jen uP), je tento název snad vhodný.
Inspiraci jsem bral z tohoto zdroje
a pouze poupravil pro svoje účely.Nejvíce se mi však líbí jeho mobilita a případná změna. Pokud časem zjistíte,že potřebujete ještě
nějakou periferii, prostě si jí vyrobíte a propojíte k uP kabely. Můj kit obsahuje 8 led,8 tlačítek, připojení na LCD display,
4 kusy smd kondezátoru (podle vašich potřeb), 8ks rezistoru (opět podle vašich potřeb, já je mám připravený na připojení k led display),
buzzer,2 kusy led displejů,2 kusy krystalu (zase podle vašich potřeb), dále teplotní čidlo LM35DZ a i astabilní zapojení NE555.V neposlední řadě i 3 kusy víceotáčkových trimrů, a také dvoubarevnou led.
Snad jsem vyjmenoval vše :)) .
Pokud by byl zájem změnit si DPS a schéma, tak stačí napsat e-mail na chiptron@seznam.cz .
Schéma.Rozlišení 600DPI.
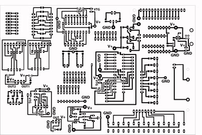
Rozložení součástek je zde.Rozlišení 600DPI.
DPS vhodný pro tisk a nažehlení je zde.Rozlišení 600DPI.
DPS vhodný pro tisk a fotocestu je zde.Rozlišení 60DPI.
Já také popsal ze shora jednotlivé vývody a napájení.A vytiskl na bílí lepící papír a poté nalepil na dps.
Zde jsou fotky z prototypu.Neberte si příklad 😀 .












Žádné sociální komentáře k dispozici.