Švýcarská společnost Schurter nabízí EMC filtry, proudově kompenzované tlumivky jakož i filtry integrované se zásuvkou, vypínačem a pojistkou. Typický EMC filtr obsahuje proudově kompenzovanou tlumivku a kondenzátory třídy X a Y. Jak to ale funguje?
Zdroje rušení
Typickým zdrojem rušení jsou v současnosti například IGBT invertory pro řízení motorů a spínané napájecí zdroje. Obě zařízení při své činnosti generují napětí a proudy se strmými hranami. Spektrum rušení pokrývá celou oblast 0,15 až 30MHz, kde se měří rušení šířící se po vedení a 30 až 1000MHz, kde se měří rušení šířící se vyzařováním.
Rozdílový (asymetrický) mód rušení
Pro nízké frekvence, řádově do stovek kHz se rušení šíří stejným způsobem jako napájení. Proud teče ve smyčce tvořené vodiči L a N.
Souhlasný (symetrický) mód rušení
Pro vyšší frekvence nad 1MHz vytvářejí parazitní kapacity ve zdroji rušení a rušeném zařízení rušivý proud přes zemní obvod. Tento souhlasný proud teče směrem k rušenému zařízení po obou napájecích vodičích a vrací se do zdroje rušení přes zem.
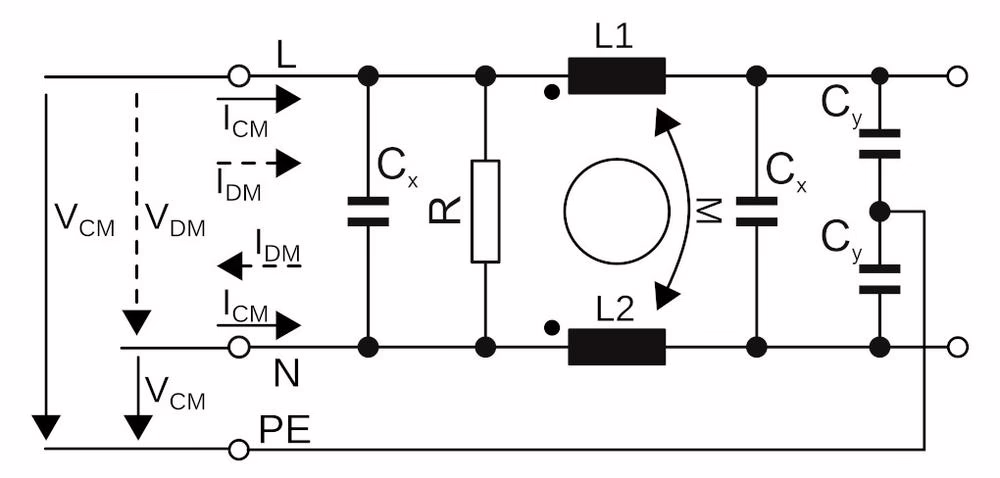
Typický EMC filtr
Proudově kompenzovaná tlumivka
Tlumivka obsahuje dvě vinutí na společném jádru. Koeficient vazby mezi L1 a L2 je k=M/(L1*L2)^0,5, kde M je vzájemná indukčnost mezi L1 a L2. V ideálním případě je L1=L2 a k=L/M
Při normálním provozu a pro rozdílový mód rušení je magnetický tok v jádru vyvolaný proudem přes L1 kompenzován proudem tekoucím přes L2 v opačném směru. V tomto případě bude L1=L2=0.5*L dm =L-M. Pro typickou toroidní proudově kompenzovanou tlumivku se M blíží k L a L dm ~ 1% L.
Při souhlasném módu rušení tečou proudy přes L1 a L2 ve shodném směru, L1=L2=L CM =L+M
Měření útlumu filtru
Útlum vyjadřuje míru účinnosti filtru. Zkušební postup používaný k měření útlumu byl aktualizován v publikaci IEC CISPR 17 v roce 2011 a byl uveřejněn jako norma EN 55017. Výstupní impedance zdroje Z 0 a zatěžovací impedance filtru Z 2 je 50 Ohm.
Útlum filtru závisí na impedanci zdroje rušení a zatěžovací impedanci. V praxi impedance zdroje rušení není známa a zatěžovací impedance filtru také není 50 Ohm. Grafy útlumu publikované v datasheetu se tedy dají použít pouze ke srovnávání filtrů navzájem. Nelze z nich odhadnout útlum filtru v reálné situaci.
Pro lepší charakterizaci útlumu při rozdílovém módu rušení navrhuje IEC CISPR 17 měřit filtr s impedancí zdroje rušení 0,1Ohm a zatěžovací impedancí 100Ohm a naopak. Tento způsob měření aproximuje nejhorší případ.
Z grafu útlumu filtru série FMAB NEO 5500.2637.01 je zřejmé, že potlačení rušení v rozdílovém módu může být v nejhorším případě o 20 až 30dB menší. Graf současně ukazuje, že pro frekvence 20 až 50kHz je útlum záporný, pokud by některá harmonická složka rušení padla do tohoto pásma, nebude potlačena ale zesílena!
Závěr
Pro odhad útlumu pro frekvence do 1MHz (rozdílový mód) je vhodné uvažovat s grafem 0,1/100Ohm. Nad frekvencí 1MHz převládá souhlasný mód rušení a 50Ohm měření se přibližuje skutečnému útlumu EMC filtru.
Pokud se zajímáte o další produkty značky Schurter nebo potřebujete více informací, rádi Vám poradíme na adrese schurter@soselectronic.com
EMC produkty Schurter:
– Jednofázové a třífázové EMC filtry s různými typy připojení – fastony, šrouby, šroubovacími svorkami, do plošného spoje a vodiči
– Jednostupňové, dvoustupňové a třístupňové EMC filtry
– EMC filtry pro použití ve zdravotnictví
– EMC filtry integrované s IEC C8, C14, C18 nebo CEE zásuvkou, případně i s vypínačem a pojistkou.
– Proudově kompenzované tlumivky, knihovna SPICE modelů















Žádné sociální komentáře k dispozici.