Během svého bastlení se dostanete do momentu, kdy potřebujete spínat nějakou zátěž a pouhým GPIO pinem to nejde kvůli buď rozdílnému napětí (napájení řídícího obvodu a zátěže) nebo proudové limitaci GPIO pinu.
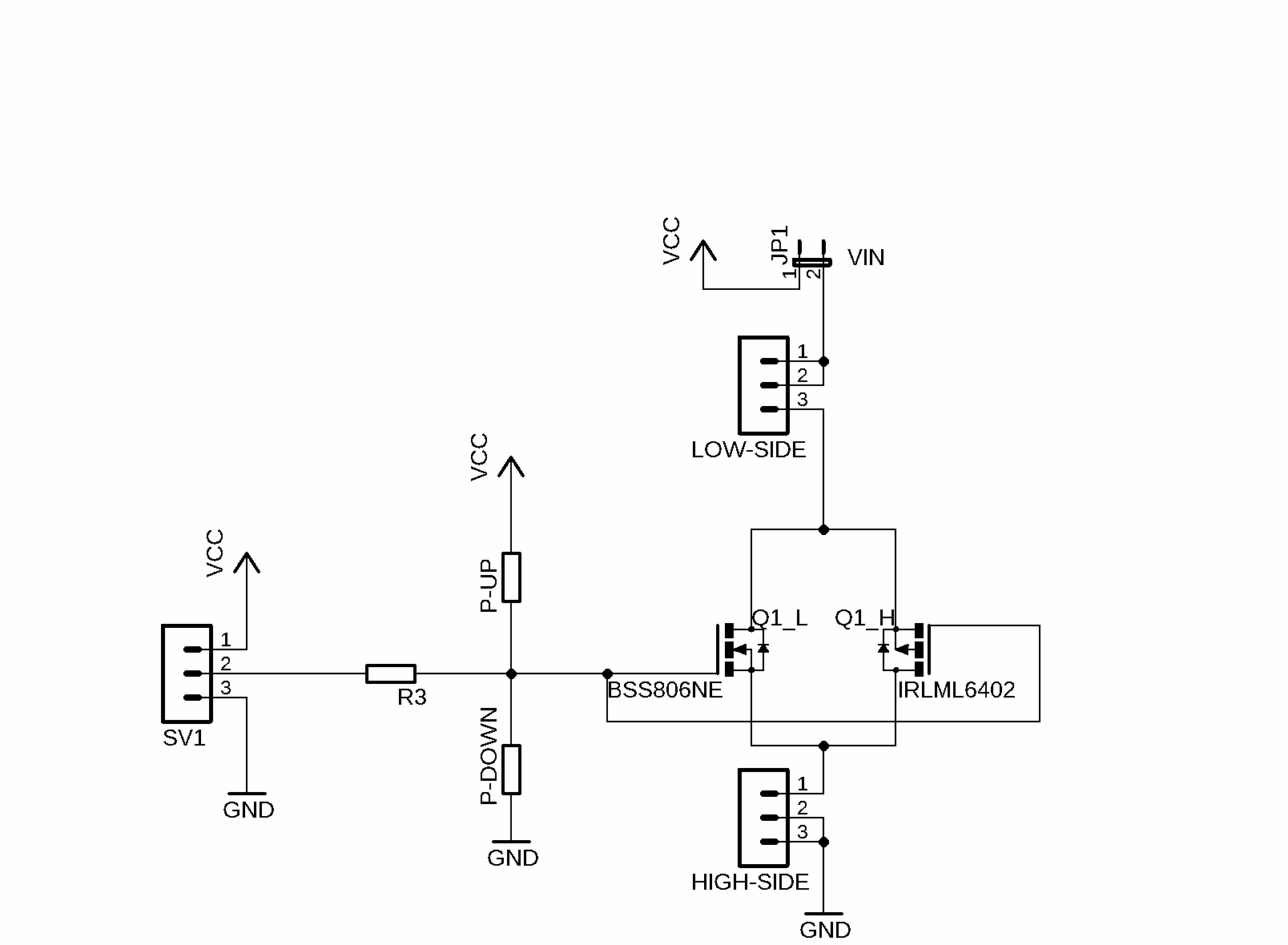
Jednoduchá deska JustSwitch obsahuje pouze místo na N-MOSFET (pro low-side switch), P-MOSFET (pro high-side switch), pull-up a pull-down rezistor a rezistor z ovládacího GPIO na Gate tranzistorů.
Deska je malá, ale univerzální. Vhodným výběrem tranzistoru jste schopni sepnout i dvě ampéry (tloušťka spoje 1.27mm při 35um a oteplení 30°C) přímo z GPIO pinu ESP32.
Deska má i dva montážní otvory.
Jako N kanálové MOSFET používám BSS806 nebo IRLML2502
Jako P kanálový MOSFET používám IRLML6402
Rezistory pull-up (pro high-side switch) volím 10K (velikost 0805), stejně tak pro pull-down (low-side switch)
R3 záleží na vás. Já zpravidla osazuji 100R (velikost 0805).
Na desce nemůže být v jeden moment osazený Q1_L a Q1_H stejně tak pull-up a pull-down rezistor.
Na následujících obrázcích najdete postup zapojení v jednotlivých případech.
Pokud máte o desky zájem, mám několik prototypových kusů, napište mi na chiptron(zavinac)chipned.cz
Vysvětlení co znamená Low-side a High-side switch

Zdroj: http://15.wwww.laiser.co/transistors-pchannel-mosfet-high-side-switch-electrical.html
LOW-SIDE switch a napájení zátěže z řídící desky (3.3V; 5V)

LOW-SIDE switch a napájení z externího zdroje (napájecí limit je limit tranzistoru)

HIGH-SIDE switch a napájení zátěže z řídící desky (3.3V; 5V)

HIGH-SIDE switch a napájení z externího zdroje (napájecí limit je limit tranzistoru)











Žádné sociální komentáře k dispozici.