Baterie a napájení
AmbiqMicro: maximum v minimálnej spotrebe
Jedným z kľúčových trendov v moderných digitálnych obvodoch je znižovanie spotreby, či už pre účely IoT, wearables, mobilov, alebo aj serióznych aplikácií s obmedzenými zdrojmi energie.
Nicd a Ni-MH nabíječka s automatickým vypnutím / Nicd and Ni-MH battery charger with automatic cuts off
Pokud chcete nabíječku Nicd a Ni-MH bez použití specializovaných obvodů, pak se podívejte na toto schéma.
Zálesácký logger / Backwoods logger
Logger meří nadmořskou výšku, teplotu a tlak vzduchu.

Hlídač napětí baterie (auto, kamion)/Battery voltage (car, truck)
Tak jsem koukal do starších projektů a našel tenhle relativně starý, ale uskutečněný projekt.
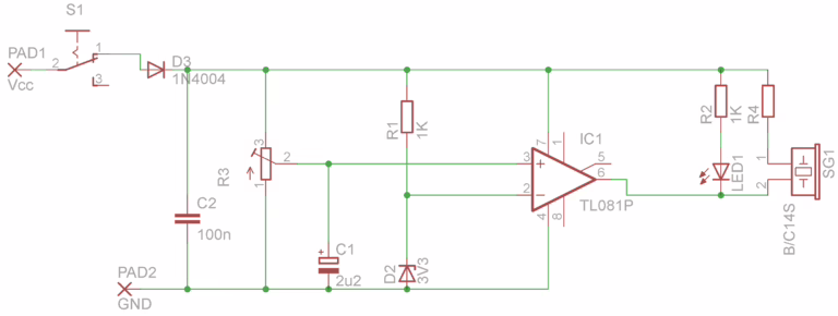
Hlídání napětí baterie (auto, kamion)/Battery voltage monitor (car,truck)
Hlídač napětí (podpětí) pro automobily (12V), kamiony (24V) nebo hlídání jiného napětí (napětí baterie pro svítilny, modeláře).
OpenTrack – sledovací systém stratosférických balónů a nejen nich
V poslední době se rozmnožili projekty typu Stratocaching, balón Universum 2, kde je potřeba sledovat pohyb balónu a poté jeho místo přistání. Projekt OpenTrack je určen právě pro tyto účely.…
Hodinky s osciloskopem / Watch with Oscilloscope
Že je to hloupost? Omyl! Na kickstarter.com se objevil projekt hodinek s osciloskopem.
DIY digitální hodinky / DIY Digital Wristwatch
Sníte o tom, že si uděláte vlastní hodinky? Není problém.
Inteligentní regulátor nabíjení Li-ion s regulátorem TP4056
Tak tentokrát pár projektů z ruských stránek.
