Komponenty a součástky

Převodník USB-UART s FT232RL (Converter USB to UART)
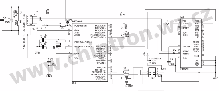
Jak postoupil čas i znalost programování přišel na řadu UART a komunikace s počítačem.

Atmel AVR vývojový kit (ATmega8,ATtiny2313, ATtiny12)
Já vím, některým se opravdu nebude líbit název Atmel kit.

Rozšiřující deska k LaunchPad od TI-2. verze / Expanded board for LaunchPad by TI-2.version
Jak nastal čas, tak první kit přestal být dostačující a tak jsem navrhl druhou verzi, tentokrát s dalšími periferiemi.

Výstražné světlo s NE555 a 4017
Toto výstražné světlo mělo být použito k hlásiči požáru,který jsem si chtěl postavit.

Nažehlovací metoda: SMD, THT, TOP, BOTTOM, jak na to?
Taky se Vám nejednou stalo při navrhování desky, nedej bože až po vyleptání, že máte návrh špatně? Otočené součástky.

Jednoduchý kit k LaunchPadu od TI/ Simple kit for LaunchPad by TI
Tak tu máme další bastl.

Indikátor zaseknutého ventilátoru
Jedná se o jednoduché zapojení operačního zesilovače s několika součástkami okolo.

Tyristor – schéma, zapojení, funkce, princip, diagram
Je to polovodičová součástka se třemi přechody PN.

Propojení ATMega8 s PC přes USB pomocí UART
Tak moje programování pokročilo dále a dalším cílem bylo zdolání UARTu.

BiProg upravená/ořezaná verze USB 2.1
Tento programátor je velmi známý a spousta bastlířů si jej i postavilo.

