Logických analyzátorů je na trhu celá řada. Mezi nejznámější patří Saleae, ten je velmi výkonný a jeho software patří mezi nejlepší, ale od toho se odráží i vysoká cena. Kompromisem k tomuto analyzátoru by mohl být projekt logického analyzátoru s Raspberry Pi Pico, který má 24 kanálů a vzorkovací frekvenci 100 MHz. Cena je 150 Kč.
Takže hardware bychom měli, Raspberry Pi Pico má dostatek výkonu na to, být velmi dobrým Logický analyzátorem. Nevýhodou použití samotného Raspberry Pi Pico je, že signál ze zařízení musí mít 3.3V. Pokud by signál měl nižší napětí, mohl by být špatně dekódován. Pokud vyšší, pak by se naopak mohl zničit GPIO.
Kvůli tomu Agustín Gimenez Bernad (autor celého projektu) navrhl desku s level shiftery (převodník logických úrovní) pro 24 kanálů. Jako převodník použil čip TXU0104.
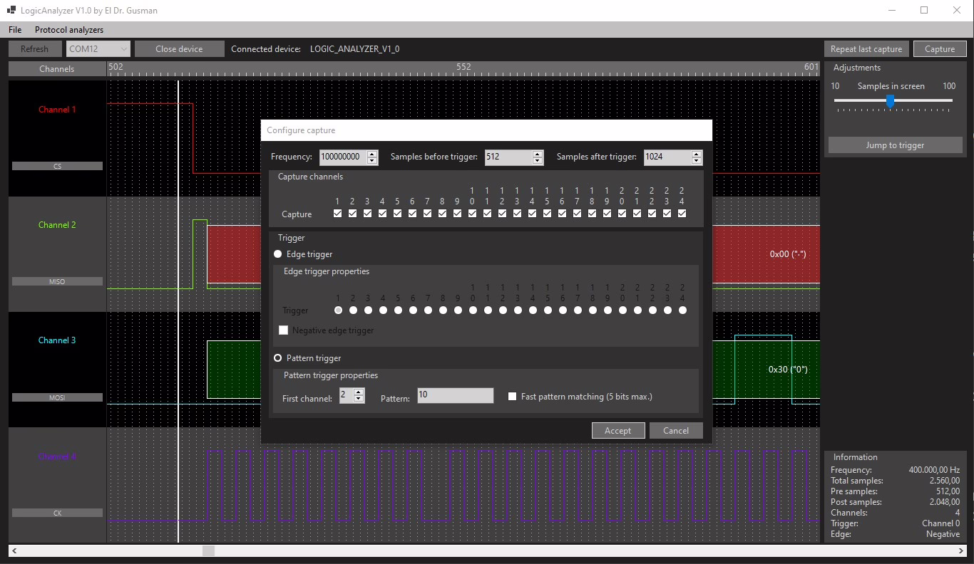
A teď software, který bývá často nejslabším článkem těchto analyzátorů. Agustín si napsal vlastní program pro Windows/Linux/MacOS. Sice vypadá použitelně, ale při delší práci s analyzátorem nejspíš dojdete do bodu, kdy si řeknete, že „Kdyby autor použil Sigrok, byl by to úžasný nástroj“. Bohužel, Tento logický analyzátor není momentálně podporován programem Sigrok, protože autorovi, jak sám uvedl, zabralo méně času napsat si vlastní program a autor má také s programem Sigrok velmi negativní zkušenosti.
Na druhou stranu, co není teď může udělat někdo jiný v budoucnu.
Aktualizace: Vylepšení dostal jak hardware, firmware tak i software. Program do počítače umí nejen 24 kanálů, umí i analyzovat sběrnice – SPI, I2C a UART.
Problémem není ani měření času mezi vzorky nebo generování signálu – vzorku.
Firmware do Raspberry Pi Pico umí navíc i zřetězení tzn. že k jednomu programu v počítači můžete připojit až PĚT Raspberry Pi Pico. Celkový počet zobrazených kanálů může být až 120.
Wiki https://github.com/gusmanb/logicanalyzer/wiki
Hlavní zprávou tedy je, že ultra levná deska Raspberry Pi Pico W s čipem RP2040 může být použita jako velmi rychlý analyzátor digitálních sběrnic.
Zajímavější ještě může být verze Raspberry Pi Pico W, který obsahuje i Wi-Fi a mohl by tam data přenášet bezdrátově.
Projekt logického analyzátoru s Raspberry Pi Pico najdete na https://github.com/gusmanb/logicanalyzer









Žádné sociální komentáře k dispozici.